您好,欢迎访问碳排放管理师官方网站!

全国咨询热线

01059490973

江苏(国家级经开区 / 高新区数量全国第一)发布《工业园区碳排放核算指南》 2025 年 10 月 10 日实施

发布时间:2025-10-13 16:28:17浏览次数:


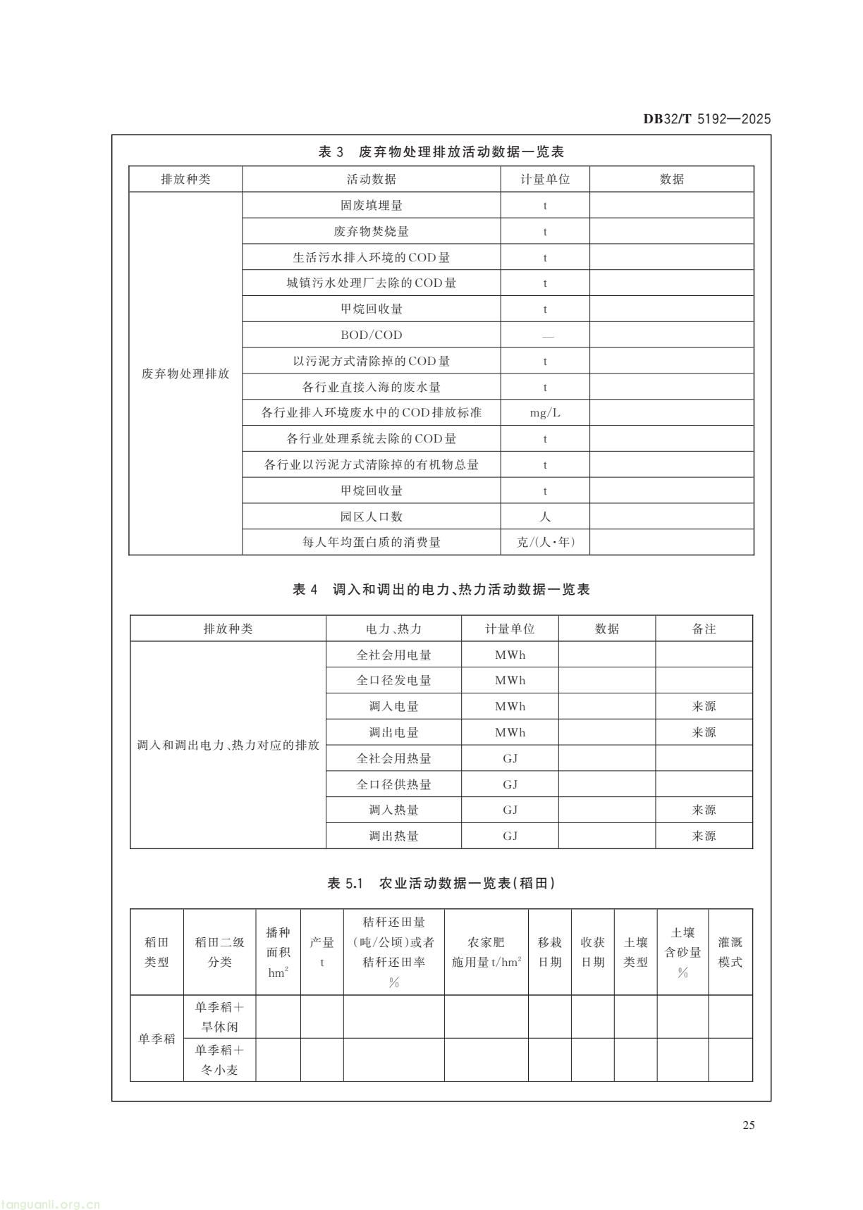
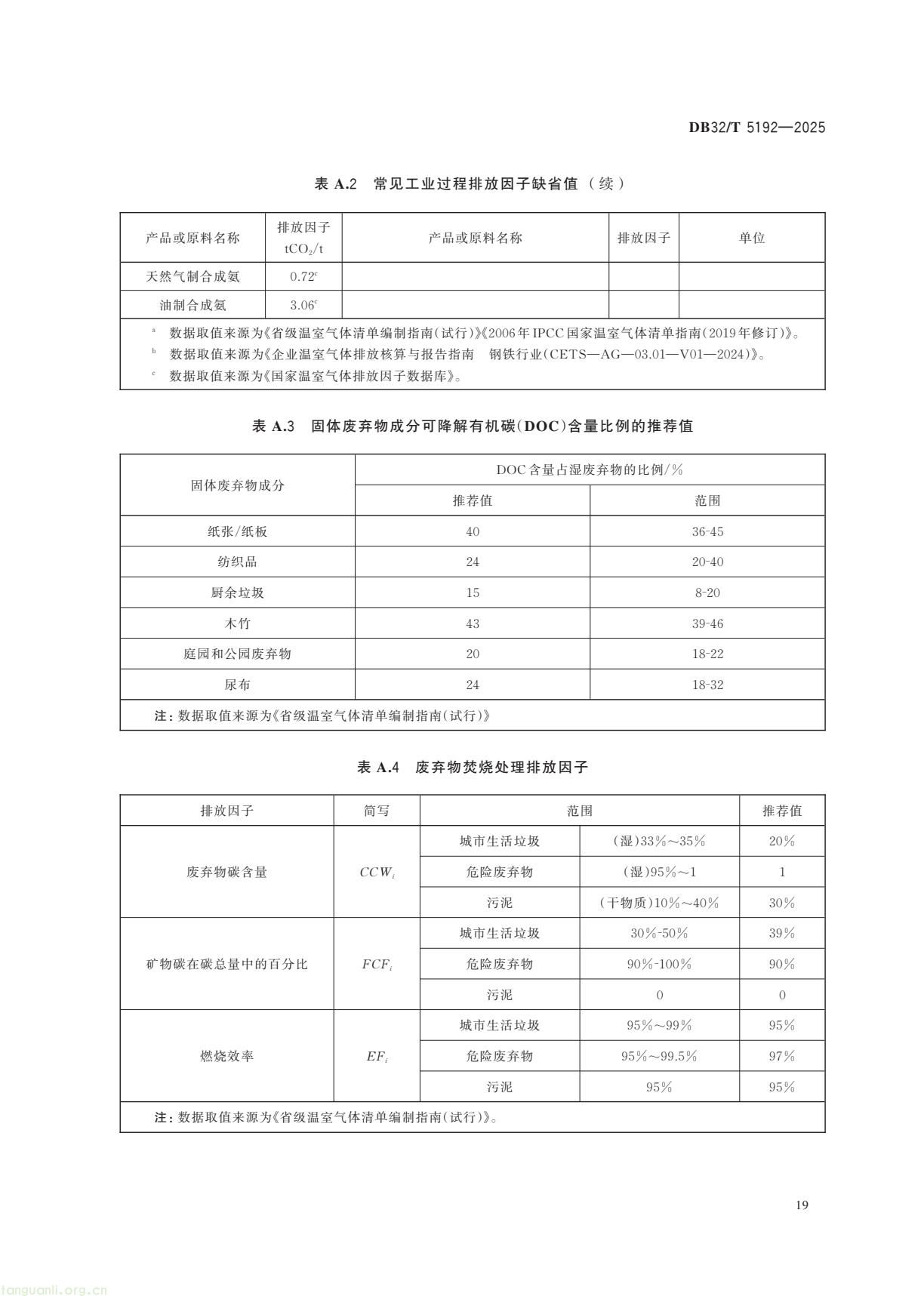
作为国家级经开区和高新区数量均居全国第一的省份,江苏工业园区是碳排放主要集中区域,亦是 “双碳” 工作关键抓手。近日,由省生态环境厅立项、4 家单位联合起草的《工业园区碳排放核算指南》(DB32/T 5192-2025)省级地方标准正式发布,2025 年 10 月 10 日起实施。
该指南为国内首个省级园区碳核算标准,填补方法体系空白,划定 “统一标尺”:明确核算边界,解决 “一园多区” 模糊问题;建立 “边界界定 — 数据采集 — 因子选用 — 结果核验” 四步操作路径;要求建立数据溯源档案,保障结果可追溯。
指南适用于省级以上、制造业增加值超 50% 的开发区,按 “行政管辖 + 核算目的” 灵活定界,覆盖化石燃料燃烧等核心排放领域,豁免农业林业排放,兼顾实用与科学;统计范围含园区全经济活动及 7 种温室气体,支持园区依发展阶段灵活选择核算方式。其结果可用于园区 “双碳” 方案编制、零碳试点申报、ESG 披露及碳减排路径制定与评估。

具体如下:

67ec7932793f40578737c2e42a376ed8(1).jpg67ec7932793f40578737c2e42a376ed8(2).jpg67ec7932793f40578737c2e42a376ed8(3).jpg67ec7932793f40578737c2e42a376ed8(4).jpg67ec7932793f40578737c2e42a376ed8(5).jpg67ec7932793f40578737c2e42a376ed8(6).jpg67ec7932793f40578737c2e42a376ed8(7).jpg67ec7932793f40578737c2e42a376ed8(8).jpg67ec7932793f40578737c2e42a376ed8(9).jpg67ec7932793f40578737c2e42a376ed8(10).jpg67ec7932793f40578737c2e42a376ed8(11).jpg67ec7932793f40578737c2e42a376ed8(12).jpg67ec7932793f40578737c2e42a376ed8(13).jpg67ec7932793f40578737c2e42a376ed8(14).jpg67ec7932793f40578737c2e42a376ed8(15).jpg67ec7932793f40578737c2e42a376ed8(16).jpg67ec7932793f40578737c2e42a376ed8(17).jpg67ec7932793f40578737c2e42a376ed8(18).jpg67ec7932793f40578737c2e42a376ed8(19).jpg67ec7932793f40578737c2e42a376ed8(20).jpg67ec7932793f40578737c2e42a376ed8(21).jpg67ec7932793f40578737c2e42a376ed8(22).jpg67ec7932793f40578737c2e42a376ed8(23).jpg67ec7932793f40578737c2e42a376ed8(24).jpg67ec7932793f40578737c2e42a376ed8(25).jpg67ec7932793f40578737c2e42a376ed8(26).jpg67ec7932793f40578737c2e42a376ed8(27).jpg67ec7932793f40578737c2e42a376ed8(28).jpg67ec7932793f40578737c2e42a376ed8(29).jpg67ec7932793f40578737c2e42a376ed8(30).jpg67ec7932793f40578737c2e42a376ed8(31).jpg67ec7932793f40578737c2e42a376ed8(32).jpg67ec7932793f40578737c2e42a376ed8(33).jpg