日前,湖南省工业和信息化厅正式印发《湖南省工业碳减排标杆企业认定管理办法》,对工业碳减排作出清晰界定,为标杆企业遴选与管理提供制度依据。办法明确,工业碳减排是企业通过调整产品结构、应用新能源与低碳原料替代、采用节能新工艺新装备、建设绿色制造体系、发展循环经济、推广低碳技术、实施数字化协同转型等举措,实现碳减排目标的行为。
该办法遵循政府引导、企业自愿、择优遴选、公平公正原则,由省工信厅统筹认定管理,市县工信部门负责培育申报。办法同步设置申报门槛与负面清单,要求企业能耗达标、无淘汰设备、完成碳排放核查,对失信、违规企业取消申报资格。此举旨在树立工业降碳示范,引导企业加快绿色低碳转型,助力湖南工业领域碳达峰碳中和目标落地。
具体如下:

关于印发《湖南省工业碳减排标杆企业认定管理办法》的通知
湘工信节能〔2026〕122 号
各市州工信局、省直管县市区工信部门:
为贯彻落实国务院办公厅印发的《制造业绿色低碳发展行动方案(2025-2027 年)》(国办发〔2025〕21 号)的通知精神,根据国家工信部、发展改革委、生态环境部联合印发的《工业领域碳达峰实施方案》以及省工业和信息化厅、发展改革委、生态环境厅联合印发的《湖南省工业领域碳达峰实施方案》,我们编制了《湖南省工业碳减排标杆企业认定管理办法》,现发给你们,请遵照执行。
湖南省工业和信息化厅
2026年3月27日
湖南省工业碳减排标杆企业认定管理办法
第一章 总 则
第一条 为深入贯彻习近平生态文明思想和党中央、国务院及省委、省政府碳达峰碳中和决策部署,切实做好工业领域碳达峰碳中和工作,加快推进经济社会发展全面绿色转型,持续用力打造国家重要先进制造业高地,结合本省实际,制定本办法。
第二条 湖南省工业碳减排标杆企业认定管理工作适用本办法。
第三条 省工业和信息化厅负责工业碳减排标杆企业的认定和管理工作;市州、县市区工业和信息化部门负责本地区工业碳减排标杆企业的培育、申报和管理工作。
第四条 湖南省工业碳减排标杆企业认定管理工作坚持政府引导、企业自愿、择优遴选和公开、公平、公正的原则。
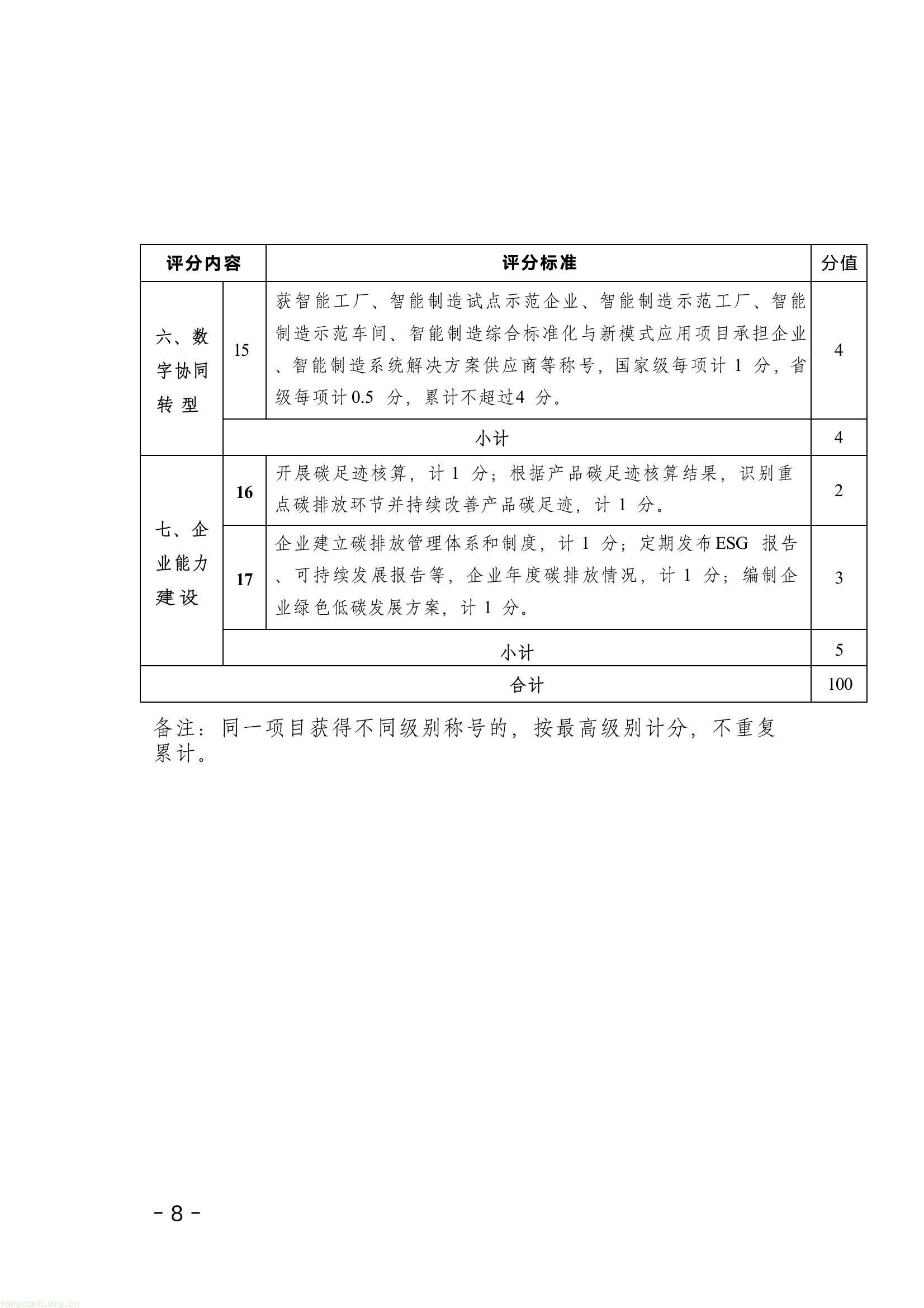
第五条 本办法所称工业碳减排是指工业企业通过调整产品结构、推进新能源应用和低碳原料替代、采用节能新工艺新技术新装备、推进绿色制造、发展循环经济、创新推广应用低碳技术、实施数字化协同转型等降碳措施,实现碳减排目标的行为。
第六条 本办法所称工业碳减排标杆企业是指通过实施降碳措施后,能够正常生产,碳减排成效显著,具有减碳示范和导向作用的工业企业。
第七条 本办法所指工业碳减排标杆企业认定是指主管部门引导工业企业按照相关标准、文件要求进行碳减排标杆企业申报,核算其碳减排绩效指标,并依据专家评审结果分领域对其进行符合性评判的活动。
第八条 碳减排绩效指标是指强度减排指标或总量减排指标。强度减排指标是指以对比期为基数, 申报期单位产品碳排放指标(或不变价单位工业产值碳排放指标)的相对下降幅度, 以百分比为单位;总量减排指标是指以对比期为基数, 申报期单位产品碳排放指标(或不变价单位工业产值碳排放指标)的降低量同申报期产品产量(或不变价工业产值)的乘积, 以吨二氧化碳当量为单位。
第九条 依照本办法申报单位自行开展工业碳减排标杆企业认定管理涉及的碳排放核算。已纳入全国碳排放权交易市场的企业核算方法采用全国碳排放权交易市场相关行业技术规范(截至2026年2月,已有发电、钢铁、水泥、铝冶炼行业纳入全国碳排放权交易市场,后续如有更新按最新规定执行);其他企业核算方法采用《工业企业温室气体排放核算和报告通则》(GB/T32150)及细分行业相关国家标准(GB/T32151)。
第二章 申报条件
第十条 申报省工业碳减排标杆企业需同时满足以下基本条件:
(一) 申报企业应为依法有实际生产经营活动且接受相关职能部门管理,具有独立法人资格或者视同法人的独立核算单位,且从事实际生产的制造型企业,近三年不得出现以下情况:一是未严格执行环境信息强制性披露的有关规定;二是发生环保、安全(含网络安全、数据安全)、产品质量、职业伤害等重大及以上事故;三是企业被列入失信名单; 四是在国务院及有关部委相关督查中被发现存在严重问题;五是在节能监察中受到处罚或被要求限期整改且未按要求完成整改。六是纳入全国碳排放权交易市场的温室气体重点排放单位,未按照规定清缴其碳排放配额。
(二) 申报企业应在推进产品结构调整、节能降碳、绿色制造、资源循环利用、低碳技术创新、数字化协同转型等方面具有先进性、示范性和行业代表性。
(三) 申报企业主要产品能耗水平达到能耗限额国家标准的限定值和重点领域能效基准水平的最新要求。
(四) 申报企业应符合国家产业政策相关要求,未使用国家明令淘汰的用能设备,落实固定资产投资项目节能审查和碳排放评价制度。
(五) 申报企业应按照国家有关规定和相关主管部门制定的技术规范,统计核算本单位温室气体排放量,并提供申报期和对比期的温室气体排放报告。企业申报的产品产量(或不变价工业产值)应有准确的统计数据,能够结合企业温室气体排放报告数据核算出申报期及对比期单位产品碳排放指标。
(六) 申报企业应在申报期5年内至少完成一次强制性或者自愿性清洁生产审核。
第十一条 申报期是指申报本项目时的上一年度(1月1日-12月31日),对比期通常为申报期的上一年度,但可以根据企业的实际情况,将对比期向前调整一年进行项目申报。
第三章 认定程序
第十二条 企业申报。省工业和信息化厅印发申报通知,工业企业自愿向所在市州工业和信息化部门或省财政直管县市区工信部门提出申请并按要求报送申报材料。
第十三条 初审核查。市州工业和信息化部门或省财政直管县市区工信部门对企业申报材料进行审查核实,择优向省工业和信息化厅行文推荐。
第十四条 专家评审。省工业和信息化厅组织专家开展评审后,再次组织专门力量对专家评审结果进行现场核查,形成拟认定的工业碳减排标杆企业名单。
第十五条 公示认定。省工业和信息化厅对拟认定的工业碳减排标杆企业名单在门户网站公示5个工作日。公示无异议的,予以认定并向社会公布。
第十六条 工业碳减排标杆企业原则上每年组织认定一次。
第四章 管理与政策
第十七条 经认定的工业碳减排标杆企业,统筹当年现行政策给予支持。鼓励各级工业和信息化部门引导金融机构为认定的工业碳减排标杆企业提供担保、信贷等绿色金融服务。
第十八条 经认定的工业碳减排标杆企业应积极配合各级工业和信息化主管部门开展节能降碳示范推广工作。
第十九条 各级工业和信息化主管部门应将工业碳减排标杆企业重点纳入专项或日常节能监察范围,开展监督检查。
第五章 附 则
第二十条 本办法自发布之日起施行,有效期五年。



来源:湖南省工业和信息化厅

推荐阅读(点击以下链接跳转阅读)
>>>揭秘碳金融:企业如何让“沉睡”的碳配额变“活钱”?掌握这3大工具,立刻成为老板倚重的财神爷!
>>>想切入碳资产领域?先学 CCER 开发!年薪超 25 万
>>>企业碳排放量怎么算?范围一 / 二 / 三拆解,小白也能秒懂
>>>必看!碳市场高含金量证书曝光!碳资产管理师年薪 25 万 +,备考 3 个月就能冲!
>>>碳市场薪资金字塔曝光!专业岗 3 年就能拿 25k / 月,这潜力谁看谁心动!
Copyright © 2012-2018 碳排放管理师 版权所有 京ICP备2021040916号-2