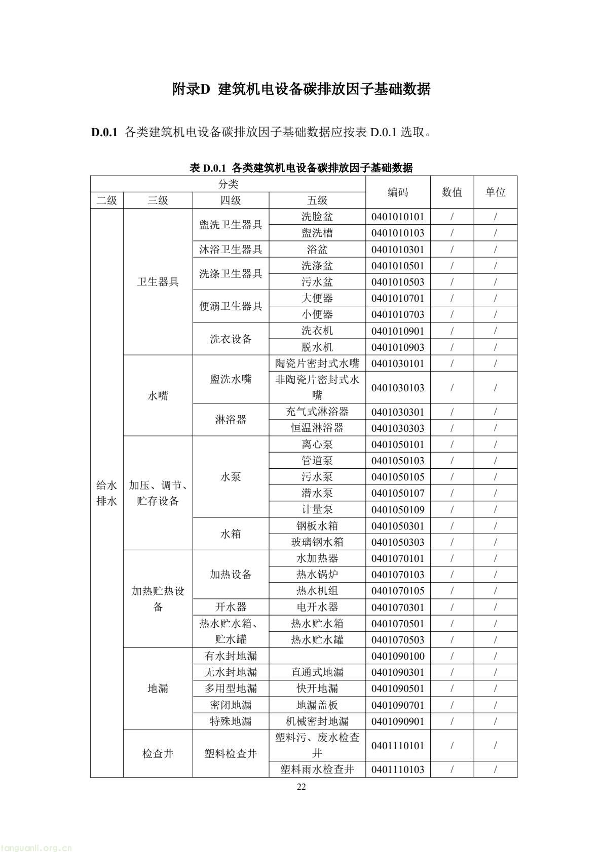
2026 年 1 月 4 日,住房城乡建设部办公厅发布通知,就国家标准《民用建筑碳排放因子基础数据标准(征求意见稿)》向社会公开征求意见,反馈截止时间为 2026 年 1 月 30 日。 该标准由北京国家建筑绿色低碳技术创新中心有限公司等单位起草,编制依据为《住房城乡建设部关于印发 2024 年工程建设规范标准编制及相关工作计划的通知》(建标函〔2024〕41 号)。作为建筑领域 “双碳” 工作的基础性标准,其核心将明确民用建筑碳排放因子的基础数据规范,为建筑全生命周期(含建材生产运输、建造、运行、拆除等阶段)的碳排放核算提供统一依据。 建筑行业是我国碳排放的重点领域,相关数据显示其碳排放占全国能源相关碳排放的近半数,统一规范的碳排放因子数据是行业减排、碳核算、碳交易的重要支撑。此次标准编制旨在填补领域空白,推动民用建筑碳排放计算标准化、精准化,为政策制定、企业低碳转型及市场交易提供技术保障。
具体如下:





























































来源:住房和城乡建设部
Copyright © 2012-2018 碳排放管理师 版权所有 京ICP备2021040916号-2