3 月 17 日,芜湖市工业和信息化局印发《芜湖市绿色工厂培育及管理暂行办法》,旨在健全绿色制造体系,规范市级绿色工厂培育、认定与全周期管理,加快制造业绿色低碳转型。办法明确了绿色工厂建设标准、申报流程、监督考核等关键内容,为企业绿色升级提供清晰指引。
办法坚持企业主体、政府引导、标准引领、动态管理原则,细化申报条件、评价指标、认定流程,完善日常监管、复审复核、称号撤销等管理机制,形成优胜劣汰的闭环管理模式。针对企业重组、场所变更等重大事项,明确专项复审要求;对不符合标准、未按规定履行责任的主体,依法撤销称号并限制再次申报,切实提升绿色工厂认定质量与公信力。
本办法自发布之日起施行,有效期 2 年,将进一步推动芜湖制造业绿色化、低碳化高质量发展。
具体如下:
芜湖市绿色工厂培育及管理暂行办法
第一章 总则
第一条 为进一步完善芜湖市绿色制造和服务体系建设,发挥绿色工厂在制造业绿色低碳转型中的基础性和导向性作用,加快形成规范化、长效化培育机制,打造绿色制造领军力量,根据工业和信息化部《绿色工厂梯度培育及管理暂行办法》(工信部节〔2024〕13号)安徽省《贯彻落实加快推动制造业绿色化发展指导意见的实施意见》《芜湖市工业领域碳达峰实施方案》等文件要求,制定本办法。
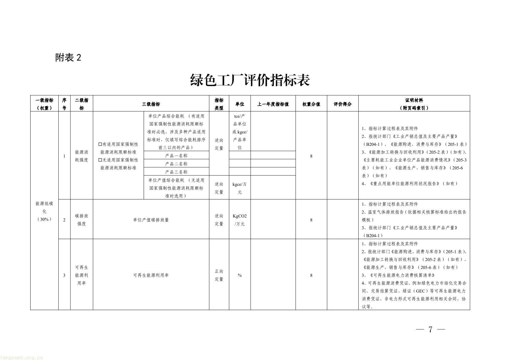
第二条 本办法所称绿色工厂是指实现用地集约化、原料无害化、生产洁净化、废物资源化、能源低碳化的企业,是绿色制造核心实施单元。
第三条 绿色工厂培育及管理遵循企业主体、政府引导、标准引领和全面覆盖的原则,以绿色工厂培育为导向,优化政策环境,引导第三方机构提供专业化服务,激发企业绿色制造的内生动力,发挥绿色制造标杆示范带动作用,推动行业、区域绿色低碳转型升级。
第四条 芜湖市工业和信息化局负责全市绿色工厂培育工作的宏观指导、统筹协调和监督管理,组织制定评价标准,遴选发布芜湖市绿色工厂企业名单。各县市区工业和信息化主管部门依据本办法负责辖区内绿色工厂的培育、管理和推荐工作。
第二章 培育要求
第五条 各县市区工业和信息化主管部门应将辖区内具备培育条件且有提升潜力的企业列为培育对象,制定培育计划,引导和支持培育对象对照绿色工厂相关标准要求,谋划实施绿色化改造升级项目,持续完善绿色发展各项工作。
第六条 绿色工厂培育对象应当符合下列条件:
(一)注册地和实际生产场所在芜湖市行政区域范围内,依法设立并具有独立法人资格或者视同法人的独立核算单位,且从事实际生产的制造型企业。
(二)不存在本办法第九条所列情形。
(三)工厂应明确绿色制造相关管理层职责,制定绿色低碳发展中长期规划及年度量化目标。
(四)工厂按照GB/T 19001、GB/T 23331、GB/T 24001、GB/T 45001或相关行业适用的其他标准建立、实施、保持并持续改进质量、环境、能源和职业健康安全管理体系。
第三章 创建程序
第七条 企业可采取自评价或委托具备评价能力的第三方机构开展评价的方式编写评价报告,评价报告编写参照本办法附件《芜湖市绿色工厂第三方评价报告》。采取第三方评价方式的,第三方评价工作流程参照《绿色工厂梯度培育及管理暂行办法》中《绿色制造第三方评价工作要求》相关规定执行。采取自评价方式的,申报单位对自评价报告的真实性和准确性负责;采取第三方评价方式的,第三方机构对所出具评价报告的真实性和准确性负责。芜湖市绿色工厂认定标准参照国家级绿色制造单位有关标准和要求,其中工业重点领域能效水平达到国家有关部门发布的标杆水平的工厂优先推荐,其他行业优先推荐达到相应国家能源消耗限额标准先进值或1级水平的工厂,对于无适用国家强制性能源消耗限额标准的行业,优先推荐达到行业内领先水平的工厂。
第八条 各县市区工业和信息化主管部门对收到的申请报告及相关材料开展审核,并充分征求当地生态环境、应急管理、市场监管等主管部门意见后,在芜湖市绿色工厂申报时间内将辖区内具有代表性和引领性的工厂推荐至市工业和信息化局(具体申报时间依据当年度申报通知)。市工业和信息化局组织专家对各县区推荐的工厂进行评审,择优确定年度公示名单,公示时间为5个工作日,经公示无异议的认定为芜湖市绿色工厂名单并予以公告。
第九条 近三年有下列情况的企业,不得申请、推荐和列入芜湖市绿色工厂名单:
1.未正常经营生产(工商注销、连续停产12个月以上、被市场监督管理部门列入经营异常名单且未被移出等);
2.发生安全(含网络安全、数据安全)、质量、环境污染等事故以及偷漏税等违法违规行为;
3.被动态调整出芜湖市绿色工厂名单;
4.在市政府及有关部门相关督查工作中被发现存在严重问题;
5.被列入工业节能监察整改名单且未按要求完成整改;
6.企业被列为失信被执行人。
第四章 动态管理
第十条 对绿色制造名单实施动态跟踪。已纳入市级绿色工厂名单的单位按要求每年在规定时间内通过工业节能与绿色发展管理平台(https://green.miit.gov.cn/)填报动态管理表,上报年度绿色制造关键指标情况。
第十一条 各县市区工业和信息化主管部门应加强对芜湖市绿色工厂的指导和管理,不定期进行现场抽查复核,对创建成效持续跟踪和研究分析,发现存在重大及以上生产安全和质量事故、Ⅱ级(重大)及以上突发环境污染事件的实时上报,经核实相关情况后,及时从芜湖市绿色工厂名单中移出并进行公告。
第十二条 芜湖市绿色工厂名单中的企业存在以下情形的,在发布年度名单时予以除名并进行公告:
(一)本办法第九条所列情形;
(二)拒不按时填报动态管理表;
(三)所提交材料或数据存在造假等问题;
(四)企业自行要求撤销名单。
发生重大及以上生产安全和质量事故、Ⅱ级(重大)及以上突发环境污染事件的,及时从各层面名单移出并进行公告。
第十三条 企业因投资、并购、管理或其他原因造成实际生产经营范围、生产地址或组织边界与列入芜湖市绿色工厂名单时相比发生重大变更的,应及时申请再评价,提交修正后的评价报告,经各县市区工业和信息化主管部门初审后报市工业和信息化局,市工业和信息化局对再评价材料进行审核,不再符合标准要求的按程序移出名单,并在发布年度芜湖市绿色工厂名单时予以公告和变更。
第十四条 任何组织或个人可针对芜湖市绿色工厂和第三方机构相关信息真实性、准确性等方面存在的问题,向所在地工业和信息化部门实名举报,并提供佐证材料和联系方式。对受理的举报内容,相关工业和信息化部门应及时进行核实,经核实确认存在所举报问题的,视情节轻重要求进行整改,整改不到位的按要求从芜湖市绿色工厂名单移出或将第三方机构列入黑名单。
第五章 配套机制
第十五条 各县市区工业和信息化主管部门应对认定公布的芜湖市绿色工厂依照相关文件给予政策支持,联合有关部门依法依规在规划布局、技术改造、专项资金申请、政府采购、试点示范、金融服务、品牌宣传等方面对芜湖市绿色工厂给予重点支持。积极开展绿色制造有关标准和典型经验宣贯,加强芜湖市绿色工厂培育。
第十六条 第三方机构应加强自身能力建设和专业人员培养,主动向培育对象宣贯绿色制造相关理念和要求,推广先进成熟经验,深入挖掘绿色发展工作亮点和潜在改进空间,提出合理化提升建议,跟踪培育对象绿色发展过程的需求,提供绿色制造系统解决方案和持续性技术服务。充分发挥第三方机构、工业节能诊断服务机构、行业协会、科研机构、金融机构等在绿色制造体系建设过程中的支撑作用。鼓励企业与行业协会、科研机构、咨询服务机构开展广泛合作,推动绿色低碳技术创新,积极参与国家和地方性绿色标准的制定,提升绿色低碳评价数据质量,发挥绿色制造企业的示范引领作用。
第十七条 绿色工厂应积极通过公开渠道展示宣传绿色制造先进技术和典型做法,按照生态环境主管部门相关规定要求披露环境信息,发挥先进示范引领带动作用。鼓励绿色工厂编制绿色低碳发展报告。
第六章 附则
第十八条 本办法由芜湖市工业和信息化局负责解释。
第十九条 本办法自发布之日起实施,有效期2年,原芜湖市工业和信息化局发布的《芜湖市绿色工厂认定管理办法》(芜经信速递〔2021〕510号)同时废止。
附件:芜湖市绿色工厂第三方评价报告











来源:芜湖市工业和信息化局
Copyright © 2012-2018 碳排放管理师 版权所有 京ICP备2021040916号-2