您好,欢迎访问碳排放管理师官方网站!

全国咨询热线

01059490973

河南省发布零碳建筑评价标准征求意见稿

发布时间:2026-03-30 16:47:23浏览次数:

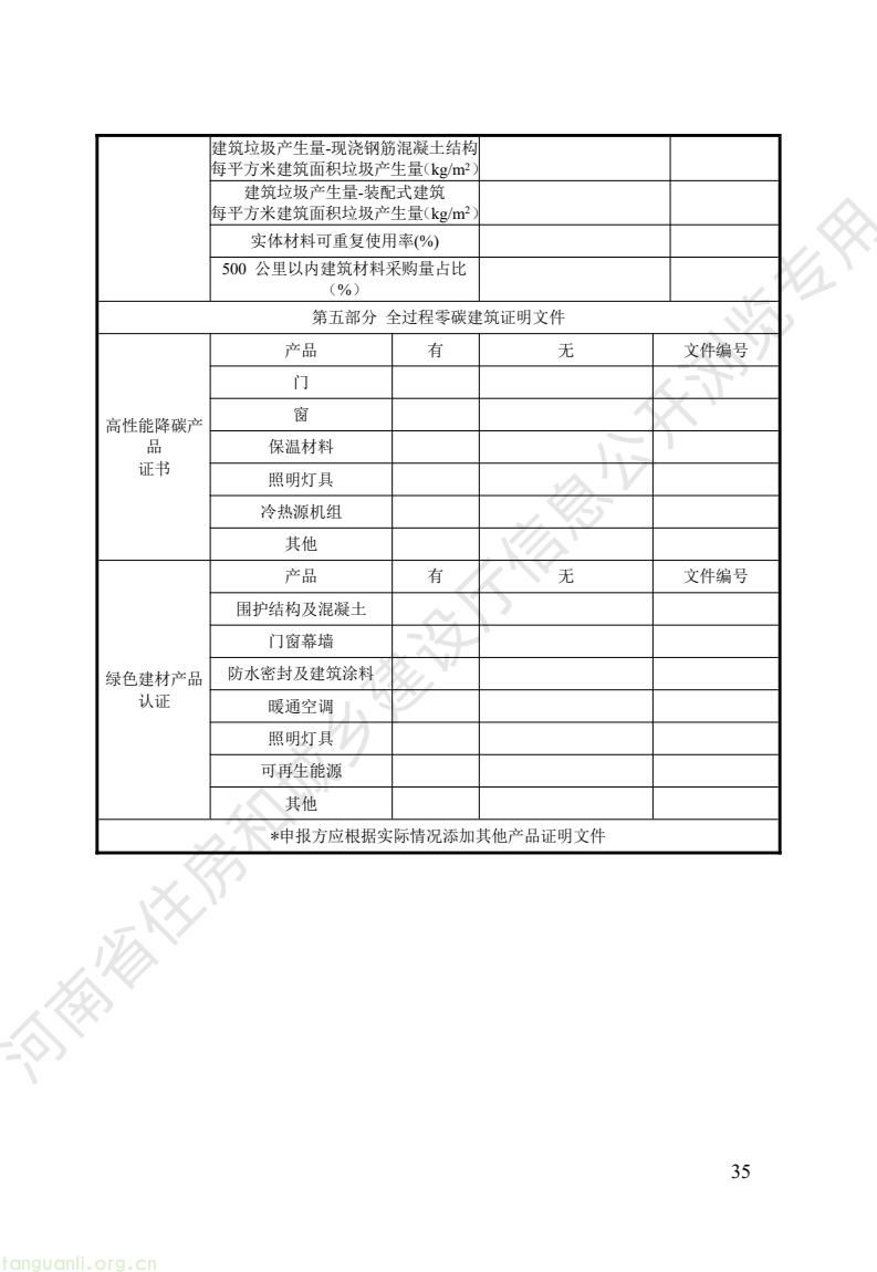
3 月 30 日,河南省住房和城乡建设厅发布《河南省零碳建筑评价标准(征求意见稿)》公开征求意见通知。该标准依据豫建科〔2023〕288 号编制计划,由省建筑科学研究院、天筑科技等单位牵头编制,意见反馈截止至 4 月 29 日。
标准聚焦建筑全生命周期碳排放管控,覆盖新建与既有建筑,核心涵盖碳排放核算、可再生能源应用、低碳建材、节能设计及碳抵消等关键内容。其制定旨在填补河南零碳建筑评价体系空白,规范项目建设与评价流程,推动建筑从 “绿色” 向 “零碳” 升级,助力城乡建设领域碳达峰碳中和目标实现。此举将引导行业采用光伏、低碳建材等技术,倒逼建筑向能源生产与低碳运营转型,为河南建筑绿色低碳高质量发展提供标准支撑。

具体如下:

根据河南省住房和城乡建设厅《关于印发2023年工程建设标准编制计划的通知》(豫建科〔2023〕288号),我厅组织河南省建筑科学研究院有限公司、天筑科技股份有限公司等单位编制了工程建设地方标准《河南省零碳建筑评价标准》,现面向社会公开征求意见,意见反馈截止时间为2026年4月29日。

8d3acf3d842548f39f5a58f35522c154(1).jpg8d3acf3d842548f39f5a58f35522c154(2).jpg8d3acf3d842548f39f5a58f35522c154(3).jpg8d3acf3d842548f39f5a58f35522c154(4).jpg8d3acf3d842548f39f5a58f35522c154(5).jpg8d3acf3d842548f39f5a58f35522c154(6).jpg8d3acf3d842548f39f5a58f35522c154(7).jpg8d3acf3d842548f39f5a58f35522c154(8).jpg8d3acf3d842548f39f5a58f35522c154(9).jpg8d3acf3d842548f39f5a58f35522c154(10).jpg8d3acf3d842548f39f5a58f35522c154(11).jpg8d3acf3d842548f39f5a58f35522c154(12).jpg8d3acf3d842548f39f5a58f35522c154(13).jpg8d3acf3d842548f39f5a58f35522c154(14).jpg8d3acf3d842548f39f5a58f35522c154(15).jpg8d3acf3d842548f39f5a58f35522c154(16).jpg8d3acf3d842548f39f5a58f35522c154(17).jpg8d3acf3d842548f39f5a58f35522c154(18).jpg8d3acf3d842548f39f5a58f35522c154(19).jpg8d3acf3d842548f39f5a58f35522c154(20).jpg8d3acf3d842548f39f5a58f35522c154(21).jpg8d3acf3d842548f39f5a58f35522c154(22).jpg8d3acf3d842548f39f5a58f35522c154(23).jpg8d3acf3d842548f39f5a58f35522c154(24).jpg8d3acf3d842548f39f5a58f35522c154(25).jpg8d3acf3d842548f39f5a58f35522c154(26).jpg8d3acf3d842548f39f5a58f35522c154(27).jpg8d3acf3d842548f39f5a58f35522c154(28).jpg8d3acf3d842548f39f5a58f35522c154(29).jpg8d3acf3d842548f39f5a58f35522c154(30).jpg8d3acf3d842548f39f5a58f35522c154(31).jpg8d3acf3d842548f39f5a58f35522c154(32).jpg8d3acf3d842548f39f5a58f35522c154(33).jpg8d3acf3d842548f39f5a58f35522c154(34).jpg8d3acf3d842548f39f5a58f35522c154(35).jpg8d3acf3d842548f39f5a58f35522c154(36).jpg8d3acf3d842548f39f5a58f35522c154(37).jpg8d3acf3d842548f39f5a58f35522c154(38).jpg8d3acf3d842548f39f5a58f35522c154(39).jpg8d3acf3d842548f39f5a58f35522c154(40).jpg8d3acf3d842548f39f5a58f35522c154(41).jpg8d3acf3d842548f39f5a58f35522c154(42).jpg8d3acf3d842548f39f5a58f35522c154(43).jpg8d3acf3d842548f39f5a58f35522c154(44).jpg8d3acf3d842548f39f5a58f35522c154(45).jpg8d3acf3d842548f39f5a58f35522c154(46).jpg8d3acf3d842548f39f5a58f35522c154(47).jpg8d3acf3d842548f39f5a58f35522c154(48).jpg8d3acf3d842548f39f5a58f35522c154(49).jpg8d3acf3d842548f39f5a58f35522c154(50).jpg8d3acf3d842548f39f5a58f35522c154(51).jpg8d3acf3d842548f39f5a58f35522c154(52).jpg8d3acf3d842548f39f5a58f35522c154(53).jpg8d3acf3d842548f39f5a58f35522c154(54).jpg8d3acf3d842548f39f5a58f35522c154(55).jpg8d3acf3d842548f39f5a58f35522c154(56).jpg8d3acf3d842548f39f5a58f35522c154(57).jpg8d3acf3d842548f39f5a58f35522c154(58).jpg8d3acf3d842548f39f5a58f35522c154(59).jpg8d3acf3d842548f39f5a58f35522c154(60).jpg8d3acf3d842548f39f5a58f35522c154(61).jpg8d3acf3d842548f39f5a58f35522c154(62).jpg8d3acf3d842548f39f5a58f35522c154(63).jpg8d3acf3d842548f39f5a58f35522c154(64).jpg8d3acf3d842548f39f5a58f35522c154(65).jpg8d3acf3d842548f39f5a58f35522c154(66).jpg8d3acf3d842548f39f5a58f35522c154(67).jpg8d3acf3d842548f39f5a58f35522c154(68).jpg8d3acf3d842548f39f5a58f35522c154(69).jpg



来源:河南省住房和城乡建设厅